设为首页 加入收藏
产品分类  
工程机械减速机产品
刀具产品
齿轮产品
Baidu 
   履带起重机产品  
260行走系列

 

发布日期:[2009-9-9]    来源: 泰安泰山福神齿轮箱有限责任公司

 

 

    技术参数:

输出扭距
最大

N.m

传动比 制动力矩
N.m
液压马达 重量约
kg
备注
25000

77.9

88.2

102.6

120.5

270

A2FE4561W-VZL

A2FE5661W-VZL

A2FE6361W-VZL

A6VE5563W-VZL

100

 
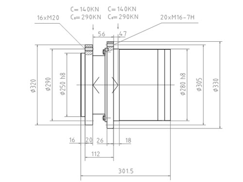
注: 外形尺寸、马达接口尺寸、减速比等均可根据需要设计。

打印此页】 【顶部】 【关闭

 版权所有:泰安泰山福神齿轮箱有限责任公司    备案号:鲁ICP备09066347号-3 鲁公网安备 37090202000540号   管理入口